耀世娱乐

D1D2

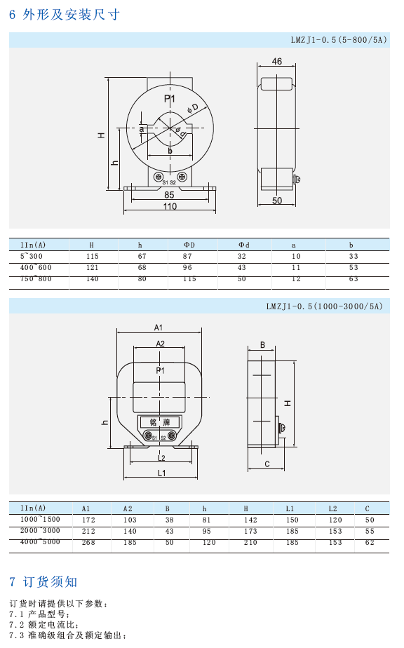
LMZJ1-0.5型电流互感器

所属分类:互感器

PDF File:

在线客服

1428967121

2281824741

var _hmt = _hmt || []; (function() { var hm = document.createElement("script"); hm.src = "https://hm.baidu.com/hm.js?25a8b6ddd6dc7b9a90aeb1f51e218aa6"; var s = document.getElementsByTagName("script")[0]; s.parentNode.insertBefore(hm, s); })();